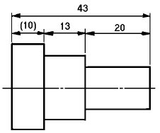
다음 도면에서 (10)의 치수에서 ( ) 가 뜻하는 것은?
속성암기 모드
0
정답률 : -
다음 도면에서 (10)의 치수에서 ( ) 가 뜻하는 것은?

참고치수
소재치수
중요치수
비례척이 아닌 치수
채점하기
다음 도면에서 (10)의 치수에서 ( ) 가 뜻하는 것은?

참고치수
소재치수
중요치수
비례척이 아닌 치수