다음 보기의 도면에서 A ~ D의 선의 용도에 의한 명칭 중 틀린 것은?
속성암기 모드
0
정답률 : -
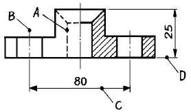
다음 보기의 도면에서 A ~ D의 선의 용도에 의한 명칭 중 틀린 것은?

A : 숨은선
B : 중심선
C : 치수선
D : 지시선
채점하기
다음 보기의 도면에서 A ~ D의 선의 용도에 의한 명칭 중 틀린 것은?

A : 숨은선
B : 중심선
C : 치수선
D : 지시선