다음 시스템의 신뢰도 값은? - 산업안전산업기사 기출문제

팝업레이어 알림

팝업레이어 알림이 없습니다.
홈 > 학습하기 > 산업안전산업기사
산업안전산업기사

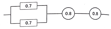
다음 시스템의 신뢰도 값은?

속성암기 모드 0 정답률 : -
풀이 준비

다음 시스템의 신뢰도 값은?

1846507993_vrktsAjb_313494c18ab9139a6df1cd13b48b7cb75b7fa180.gif

0.5824

0.6682

0.7855

0.8642

,

0 Comments
  1. 과목 또는 시행일 탭 내의 과목 및 시행일을 클릭하시면, 해당 과목 및 시행일의 문제만 필터링하여 볼 수 있습니다.
  2. '문제풀이 모드'와 '속성암기 모드' 중 선택하여 학습을 진행할 수 있습니다.
  3. '다음문제'를 클릭하시면 동일 시험의 문제 중 학습에 가장 효과적인 다음 문제로 이동합니다.
문제