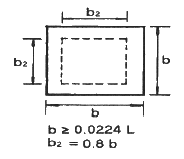
산업안전보건법령상 그림과 같은 기본 모형이 나타내는 안전·보건표시의 표시사항으로 옳은 것은? (단, L은 안전·보건표시를 인식…
속성암기 모드
0
정답률 : -
산업안전보건법령상 그림과 같은 기본 모형이 나타내는 안전·보건표시의 표시사항으로 옳은 것은? (단, L은 안전·보건표시를 인식할 수 있거나 인식해야 할 안전거리를 말한다.)

금지
경고
지시
안내
채점하기









