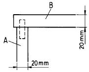
A,B 두 부재를 꽂임촉으로 맞출 때 꽂임촉의 지름과 길이로 옳은 것은?
속성암기 모드
0
정답률 : -
A,B 두 부재를 꽂임촉으로 맞출 때 꽂임촉의 지름과 길이로 옳은 것은?

지름 6mm, 길이 20mm
지름 6mm, 길이 27mm
지름 8mm, 길이 30mm
지름 10mm, 길이 30mm
채점하기
A,B 두 부재를 꽂임촉으로 맞출 때 꽂임촉의 지름과 길이로 옳은 것은?

지름 6mm, 길이 20mm
지름 6mm, 길이 27mm
지름 8mm, 길이 30mm
지름 10mm, 길이 30mm