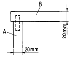
A,B 두 부재를 꽂임촉으로 맞출 때 꽂임촉의 지름과 길이로 옳은 것은? - 가구제작기능사 기출문제

팝업레이어 알림

팝업레이어 알림이 없습니다.
홈 > 기출해설 > 가구제작기능사
가구제작기능사

A,B 두 부재를 꽂임촉으로 맞출 때 꽂임촉의 지름과 길이로 옳은 것은?

문제풀이 모드 0 정답률 : -
풀이 준비

A,B 두 부재를 꽂임촉으로 맞출 때 꽂임촉의 지름과 길이로 옳은 것은?

1846507993_1risGZPq_4cd0e96d7b6c97f39468c1550de45e2af67a03a3.gif

지름 6㎜,길이 20㎜

지름 6㎜,길이 27㎜

지름 8㎜,길이 30㎜

지름 10㎜,길이 30㎜

0 Comments
  1. 과목 또는 시행일 탭 내의 과목 및 시행일을 클릭하시면, 해당 과목 및 시행일의 문제만 필터링하여 볼 수 있습니다.
  2. '문제풀이 모드'와 '속성암기 모드' 중 선택하여 학습을 진행할 수 있습니다.
  3. '다음문제'를 클릭하시면 동일 시험의 문제 중 학습에 가장 효과적인 다음 문제로 이동합니다.

가구제작기능사 모의시험 바로 시작

지금 바로 이 과목 모의시험을 풀어보실 수 있어요.

시험 시작하기
문제