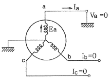
그림과 같은 3상 무부하 교류발전기에서 a상이 지락된 경우 지락전류는 어떻게 나타내는가?
문제풀이 모드
0
정답률 : -
그림과 같은 3상 무부하 교류발전기에서 a상이 지락된 경우 지락전류는 어떻게 나타내는가?





채점하기
그림과 같은 3상 무부하 교류발전기에서 a상이 지락된 경우 지락전류는 어떻게 나타내는가?




