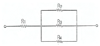
그림과 같은 회로의 저항값이 R1> R2> R3> R4 일 때 전류가 최소로 흐르는…
속성암기 모드
2
정답률 : 73%
그림과 같은 회로의 저항값이 R1> R2> R3> R4 일 때 전류가 최소로 흐르는 저항은?

R1
R2
R3
R4
📝풀이 참고 ⚙️ 자동 확정
정답 ②
■ 정답 요약
정답: ② R2
R1은 전체 회로와 직렬이므로 R1에는 “전체 전류”가 그대로 흐른다. 반 ...
🔒 3초 만에 전체 풀이 열기 →
선택지 해설·핵심 개념·출제 포인트·오답 함정·관련 문제까지 한번에 확인!
채점하기











