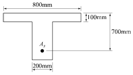
그림과 같은 T형 단면의 보에서 등가직사각형 응력블록의 깊이(a)는? (단, fck=28MPa, fy=400MPa, As = …
문제풀이 모드
0
정답률 : -
그림과 같은 T형 단면의 보에서 등가직사각형 응력블록의 깊이(a)는? (단, fck=28MPa, fy=400MPa, As = 3855mm2)

81mm
98mm
108mm
116mm
채점하기









